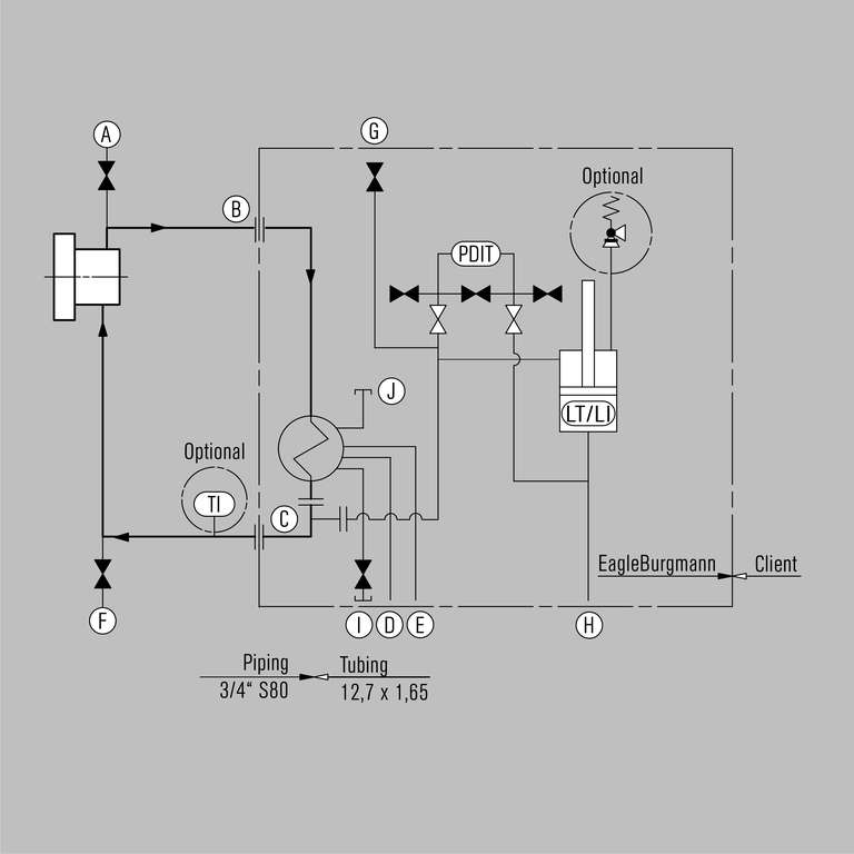
SPC6 Barrier fluid system
with piston accumulator
Installation, details, options

For a larger view, please mouseover the image.
P&ID for SPC6000A4
Barrier fluid system with piston accumulator

A Vent
B From mechanical seal
C To mechanical seal
D Cooling water IN
E Cooling water OUT
F Drain
G Filling connection
H Pressure reference
I Cooling water drain
J Cooling water vent